×
Навигация
РТЦ Альфа
Главная страница
Каталог
Прайс-лист
Полезные статьи
Контакты
+7(908)285-5971
+7 (4812)
32-72-95
г. Смоленск, ул. Дзержинского, 5
Главная страница
Каталог
Прайс-лист
Полезные статьи
Контакты
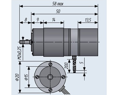
Двигатель ДПМ-20-Н3-01 27V
Цена:
500
руб.
Корпус:
НЕТ
Описание: